公司简介
某汽车线束有限公司是生产中高档汽车线束之中外合资企业,主要客户有上海大众、上海通用、延峰江森、科世达-华阳、日本丰田、日本铃木等。公司已通过QS9000、VDA6.1质量管理体系、ISO14001环境管理体系、OHSAS18001职业健康安全管理体认证,目前正在推行ISO/ TS16949质量体系认证。
团队名称: 潜海队
(潜入海底,寻找隐藏的冰山)
项目背景:
客户反映(最初是延峰江森),电线长短不一致现象较普遍,装配极不方便,尤其当一束电线中粗线偏长而细线偏短时,很难安装也容易出现其它意想不到的隐患,如拉断、脱钉等。但因电线有柔性,还勉强可以安装,虽然没有造成客户正式投诉,但影响了客户对公司的满意程度。
项目选择:
汽车行业零部件价格每年都以一定比例下降,降低生产成本是汽车零部件企业必须面对的客观现实。在公司领导大方向的指引下,我提出了降低开线工序质量损失的项目,经过咨询公司和金亭公司领导的论证与评价之后,正式批准立项。
线束制造主要过程包括前工程开线打钉、后工程装配、QC检查及包装,前工程所用材料金额占总用料的70%以上,设备占全过程80%以上。
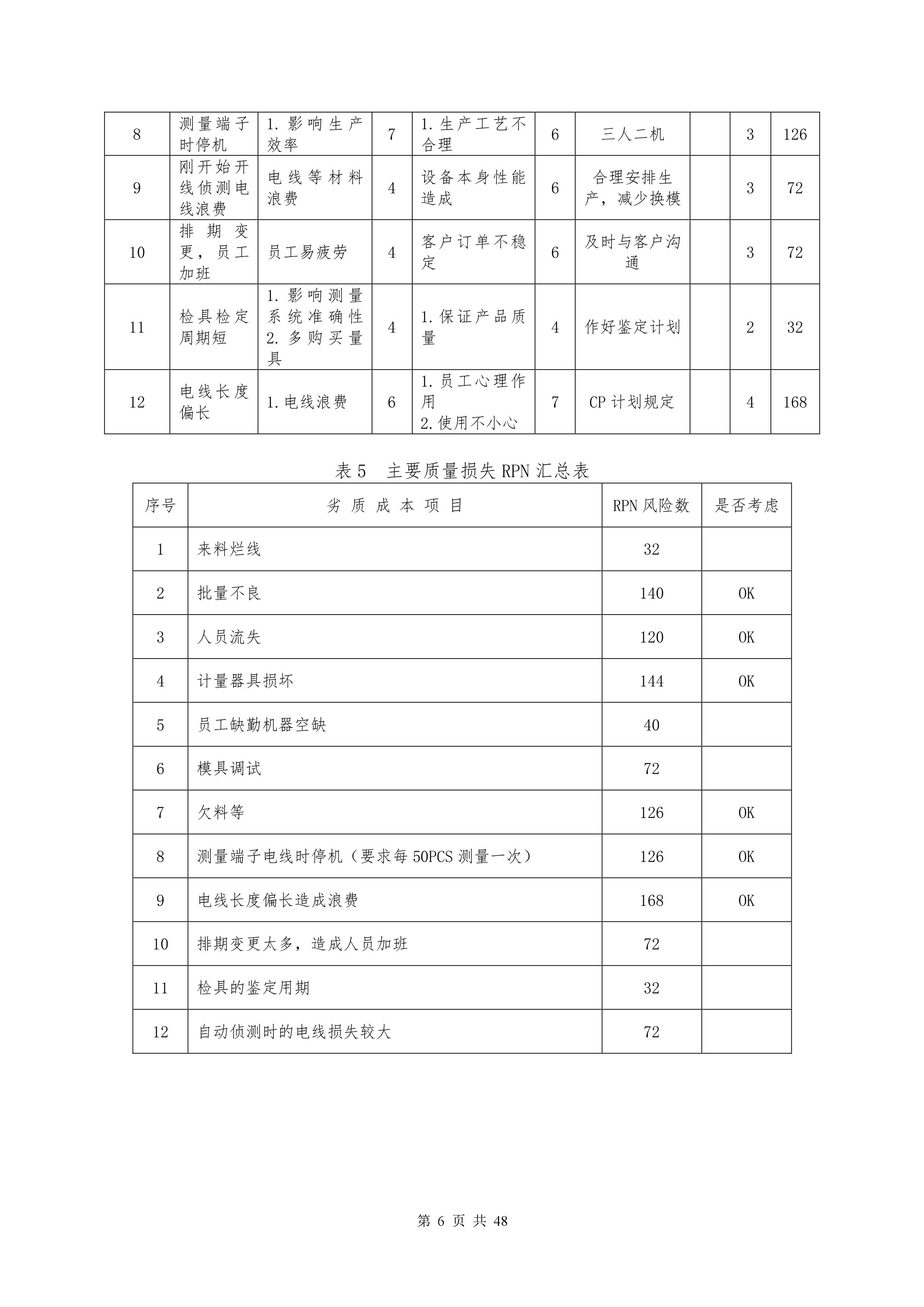
开线工序包括手工开线(C351开平线)、自动开线(KOMAX、C451、K333、C551等自动开线打钉机)。降低劣质成本首先想到的是降低内部损失,比如不良率、返工、返修。后来统计03年1-6月份各种不良率包括工序内不良、批量不良、零星不良累加一起,外销平均286ppm,相当于5.00σ水平,内销平均900ppm,相当于4.63 σ水平,改进空间不大。而工序质量损失还包括计量设备费用、检定周期、电线浪费、端子损耗、电线尾和端子尾等等。也就是要在整个开线工序中寻找并设法降低劣质成本。
第一阶段:项目界定
(1)
|
项目名称( Project Title):降低开线工序劣质成本 |
||||
|
项目领导(Project Leader): 王绍斌 |
团队成员(Team Members): 孙泽良、陈曦、郁彩英、管黎明、沈斌、黄霞君 |
|||
|
经营情况(Business Case): 公司主要客户上海大众,每年以5%速度要求供应商降低产品价格,成本能否降低将决定公司发展前景,同样的品质,价格低将直接影响市场份额和客户满意程度。 |
||||
|
问题/机会陈(Problem/Opportunity
Statement) 流入客户不合格品率很低,但前工程开线工序工程内不合格品率,同其它工序相比仍然占很高比例,2002年因开线不良而报废或返工损失达7万圆,因电线长短不一(主要是电线偏长)致造成浪费达20多万圆人民币。 |
目标陈述(Goal Statement): 降低开线工序质量损失20万元以上 1.开线工序工程内不合格品率由目前728PPM降到550PPM,降低质量损失5万元 2.降低电线浪费15万元 3.降低工序内其他损失 |
|||
|
项目范围(Project Scope) 前工程中开线工序,从发料员送电线——按线卡开电线——转交端子压着。 |
相关方/股东(Stakeholders) 生产部/工程部/技术开部/质保部/财务部 |
|||
|
预期计划 |
目标日期 (Targer Date) |
实际日期 (Actual Date) |
评 审 (Review) |
|
|
开始日期 |
2003-5-5 |
2003-5-5 |
|
|
|
界定 |
2003-6-20 |
2003-7-15 |
|
|
|
测量 |
2003-7-10 |
2003-7-17 |
||
|
分析 |
2003-8-10 |
2003-8-17 |
||
|
改进 |
8月20-9月30 |
2003-9-15 |
||
|
控制 |
8月20-10月15 |
2003-11-15 |
||
|
完成日期 |
10月30 |
2003-12 |
|
|
|
|
|
|
|
|
(2)
|
股东 (Stakeholder) |
项目关系(Relationship) |
联络/关联 |
|||||||
|
是被结果影响 |
能够影响结果 |
有用的专家意见 |
供应物资部门 |
决定权利 |
有规律提供 |
引起团队重视 |
用需要的信息阐述 |
其 它 (描述) |
|
|
生产部 |
|
√ |
√ |
|
|
|
|
|
|
|
技术开发部 |
|
|
√ |
|
√ |
|
|
|
|
|
工程部 |
|
√ |
|
|
|
|
|
|
|
|
质保部 |
√ |
|
|
|
√ |
|
|
|
|
|
财务部 |
|
|
√ |
√ |
√ |
|
|
|
|
|
仓务部 |
|
|
|
|
|
√ |
√ |
|
|
|
物流部 |
|
|
|
|
|
√ |
√ |
|
|
|
采购部 |
|
|
|
|
|
√ |
√ |
|
|
|
销售部 |
√ |
|
|
|
|
|
|
|
|
(3)
为了在无边无际大海寻找质量损失,我们必须确定项目范围,于是小组对开线工序进行了详细的流程分析:












































分析得不错,学习一下